1978 mustang fuse box diagram
2005 Ford Mustang Fuse Box and Relay Diagram. 11 Pictures about 2005 Ford Mustang Fuse Box and Relay Diagram : '74-'78 Ford Mustang 2 Fuse Diagram, Wiring Diagram For 1975 Mustang - Complete Wiring Schemas and also 94-98 Mustang Fuse Locations and ID’s Chart Diagram (1994 94 1995 95.
2005 Ford Mustang Fuse Box And Relay Diagram

mustang fuse 2005 ford diagram relay box location wiring ac starter diagrams fuel under 1994 blower motor fan horn pump
2010 Dodge Ram Fuse Box Diagram Engine Bay Location Identification

94-98 Mustang Fuse Locations And ID’s Chart Diagram (1994 94 1995 95

fuse mustang diagram box 1998 wiring 1994 ford gt 1996 diagrams ignition 94 98 panel 1997 switch engine hissind hood
'74-'78 Ford Mustang 2 Fuse Diagram

1974
Wiring Diagram For 1975 Mustang - Complete Wiring Schemas
complete
2007 Dodge Charger Fuse Diagram

charger fuse dodge 2007 location diagram box panel engine hood under
2011 Ford Mustang Fuse Box Diagram Under Hood & Under Dash

fuse mustang diagram box ford wiring 1997 f150 location under panel 2007 hood dash gt 2008 2005 diagrams battery circuits
2004-2014 Ford F150 Fuse Box Diagram ID Location (2004 04 2005 05 2006

fuse f150 diagram ford box 2005 2004 wiring 2006 2008 location panel 2007 relay 2009 diagrams hissind 2003 pump fuel
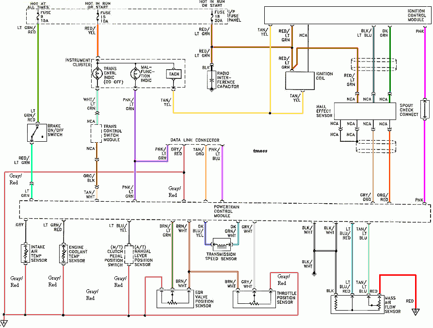
94-95 Mustang Ignition Control Module Diagram

mustang diagram ignition gt module 1994 control switch wiring engine fuel power sensor ford schematic help tech 1991 fuse 1995
Mgb Fuse Box Diagram - Wiring Diagrams
mgb fuse box diagram wiring fusing
1978 Ford Mustang Performance Transmission

transmission 1978 mustang ford performance specialties
1978 ford mustang performance transmission. Mgb fuse box diagram wiring fusing. 94-98 mustang fuse locations and id’s chart diagram (1994 94 1995 95