1973 challenger alternator wiring diagram
Bearing fault detector circuit diagram 1 - Measuring_and_Test_Circuit. 11 Pictures about Bearing fault detector circuit diagram 1 - Measuring_and_Test_Circuit : Dodge Challenger 1973 Complete Wiring Diagram | All about Wiring Diagrams, Dodge Coronet and Charger 1973 Complete Wiring Diagram | All about and also 1974 Vw Alternator Wiring Diagram.
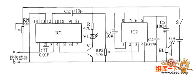
Bearing Fault Detector Circuit Diagram 1 - Measuring_and_Test_Circuit

circuit bearing fault detector diagram seekic circuits gr transistor
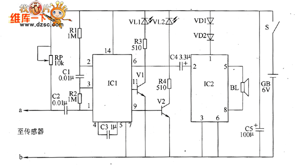
Bearing Fault Detector Circuit Diagram 2 - Measuring_and_Test_Circuit

circuit detector bearing fault diagram seekic sound
Dodge Coronet And Charger 1973 Complete Wiring Diagram | All About

wiring dodge diagram charger 1973 coronet 73 complete roadrunner diagrams 1974
Wiring Diagram For 1973 Dodge Dart - Complete Wiring Schemas

dart
Dodge Challenger 1973 Complete Wiring Diagram | All About Wiring Diagrams

wiring challenger dodge 1973 diagram complete diagrams
72 Challenger Engine Small Block Wiring - Fuse & Wiring Diagram

moparts roseville
1974 Vw Alternator Wiring Diagram
guzzi moto ts wiring diagram 1973 usa v850 pdf alternator vw schematics 1974 series elsalvadorla source strawberry sweet
74 Dodge Dart Wiring Diagram - Wiring Diagram Networks

wiring scamp
1973 Ford Ignition Wiring Diagram
72 Challenger Engine Small Block Wiring - Fuse & Wiring Diagram

challenger dodge 1973 1972 wiring block engine challengers deal package diagram
Wiring Schematic For 2010 Dodge Challenger - Wiring Diagram Schemas
dodge diagram challenger fuse wiring box rt charger 2008 srt power module impala integrated info autogenius package police generation third
Dodge challenger 1973 complete wiring diagram. 1973 ford ignition wiring diagram. Dodge coronet and charger 1973 complete wiring diagram