1973 ford alternator wiring diagram
Alternator wiring - Ford Truck Enthusiasts Forums. 14 Pics about Alternator wiring - Ford Truck Enthusiasts Forums : Ford 1G Alternator Wiring Diagram For Your Needs, Alternator wiring - Ford Truck Enthusiasts Forums and also 1974 Ford F100 Wiring Diagram.
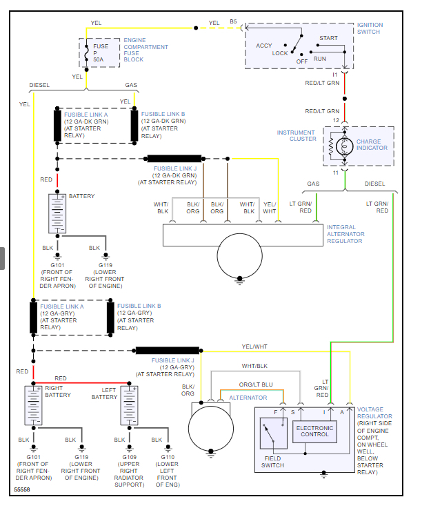
Alternator Wiring - Ford Truck Enthusiasts Forums
wiring ford alternator diagram f100 ignition 1970 f250 trucks f150 1977 wire truck solenoid chevy battery forums instrument regulator wires
1973 VW Super Beetle, Engine Electrical Parts L JBugs

wiring generator vw diagram alternator starter regulator voltage jbugs beetle engine volkswagen 1973 bus parts electrical bosch conversion schematic starters
56 1972 Ford F100 Wiring Harness - Wiring Diagram Harness
f100 f150
1964 Alternator Options? - Page 2 - Ford Truck Enthusiasts Forums
alternator wiring ford 1964 wire schematic options truck should crimped double
41 Alternator Wiring Connections - Wiring Diagram Harness Info
wiring
Alternator Wiring - Ford Truck Enthusiasts Forums
wiring alternator ford forums wire
Ford 1G Alternator Wiring Diagram For Your Needs

alternator f150 1g imageservice
Alternator Wiring And Weird Finding - Ford Truck Enthusiasts Forums
alternator wiring ambulance ford finding weird charging forums trucks system
I Need A Wiring Diagram For A Ford 3000 Tractor Approx 1973

wiring tractor ford diagram 3000 switch ignition 2000 starter 1973 approx need hi 1974
1974 Ford F100 Wiring Diagram

wiring diagram 1974 ford f100 f250 need justanswer 2008
Fuel Injection Technical Library » Early Bronco Wiring Diagrams

bronco early heater wiring diagrams fuel
John's Mustang: 1973-1986 Mustang Alternator, Rebuilt

mustang alternator 1973 rebuilt 1986
Alternator Wiring Diagram: Hello, I Am Rebuilding A 1992 Ford

alternator
[TB_3399] Massey Ferguson 35 Wiring Diagram 165 Massey Wiring Diagram
![[TB_3399] Massey Ferguson 35 Wiring Diagram 165 Massey Wiring Diagram](https://static-resources.imageservice.cloud/1517945/massey-ferguson-schematics-basic-electronics-wiring-diagram.jpg)
ferguson massey wiring diagram 35 basic deluxe tractor schematics mf alternator diesel electronics parts fr schematic voltage regulator te20
John's mustang: 1973-1986 mustang alternator, rebuilt. [tb_3399] massey ferguson 35 wiring diagram 165 massey wiring diagram. Wiring ford alternator diagram f100 ignition 1970 f250 trucks f150 1977 wire truck solenoid chevy battery forums instrument regulator wires