1975 gmc wiring diagram
Honda Accord (2006) - wiring diagrams - charging system - Carknowledge.info. 9 Pictures about Honda Accord (2006) - wiring diagrams - charging system - Carknowledge.info : Chevy Gm Gmc Pontiac Cadillac Headlight Switch Headlamp Light Bulb, Mercury Wiring Harnesses | YnZ's Yesterday's Parts and also [SY_9468] Sensor Wiring Diagram On 70 Chevelle Wiper Motor Wiring.
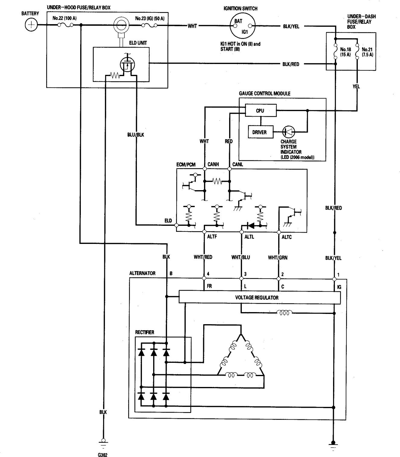
Honda Accord (2006) - Wiring Diagrams - Charging System - Carknowledge.info

system charging honda accord 2006 wiring diagrams diagram carknowledge info
[SY_9468] Sensor Wiring Diagram On 70 Chevelle Wiper Motor Wiring
![[SY_9468] Sensor Wiring Diagram On 70 Chevelle Wiper Motor Wiring](https://static-assets.imageservice.cloud/68725/1967-gtx-wiring-diagram-wiring-diagram-database.gif)
1967 chevelle camino wiper ignition f01 justanswer imageservice
Dodge Motorhome Wiring Diagram - Wiring Schema Collection
wiring motorhome winnebago 1978 damon d100 vidalondon atkinsjewelry
1976 Corvette Starter Wiring Diagram

wire
How To Read Car Wiring Diagrams For Beginners - EManualOnline Blog

emanualonline
Chevy Dual Tank Fuel Wiring Diagram - Wiring Diagram
schematic
Chevy Gm Gmc Pontiac Cadillac Headlight Switch Headlamp Light Bulb

headlight wiring switch diagram chevy gm light nova gmc dimmer headlamp cadillac lighting 1986 pontiac jeep fuse camaro truck 67
Mercury Wiring Harnesses | YnZ's Yesterday's Parts

mercury wiring
[FB_0556] 79 F150 Wiring Diagram Schematic Wiring
![[FB_0556] 79 F150 Wiring Diagram Schematic Wiring](https://static-cdn.imageservice.cloud/1062186/1978-corvette-fuse-box-diagram-wiring-diagram-directory.gif)
diagram wiring corvette fuse box f150 1978 headlight 2006 ford 1976 imageservice cloud directory schematic
Chevy gm gmc pontiac cadillac headlight switch headlamp light bulb. Diagram wiring corvette fuse box f150 1978 headlight 2006 ford 1976 imageservice cloud directory schematic. System charging honda accord 2006 wiring diagrams diagram carknowledge info